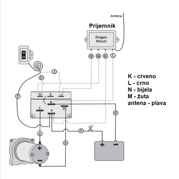
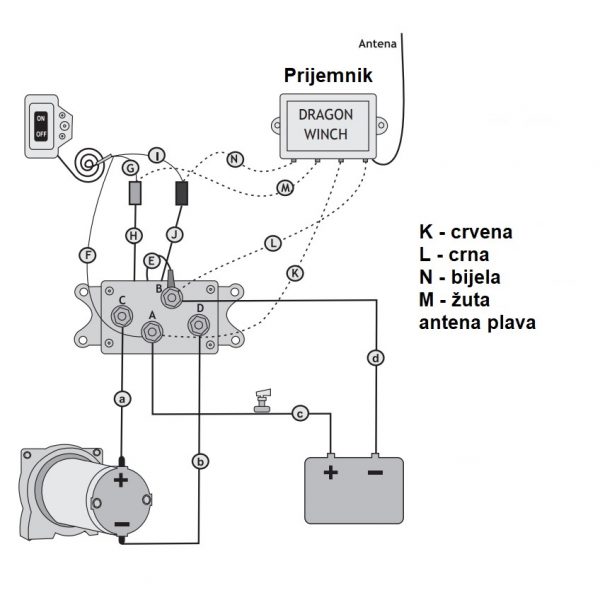
Opis
- Bežični daljinski XL za vitlo Dragon s prijemnikom i daljinskim
- Prijemnik ima 4 žice + 1 žica antena
- Veličina daljinskog 13cm x 5cm; veličina prijemnika 7,3cm x 4,4cm x 2,4cm
- Dužina žica za spajanje cca 18cm
- Moguće koristiti i za druga vitla koja imaju jednak raspored žica
- Daljinski je kodiran za komunikaciju s navedenim prijemnikom















